Wenzhou Joepai Valve Co., Ltd.
Wenzhou Joepai Valve Co., Ltd.
Termékek

Termékek

gömbgrafitos vas tűzoltó pillangószelep
  • gömbgrafitos vas tűzoltó pillangószelepgömbgrafitos vas tűzoltó pillangószelep
  • gömbgrafitos vas tűzoltó pillangószelepgömbgrafitos vas tűzoltó pillangószelep

gömbgrafitos vas tűzoltó pillangószelep

A Joepai által biztosított gömbgrafitos öntöttvas tűzoltó pillangószelep kivételes teljesítményt nyújt a kereskedelmi és ipari tűzvédelmi rendszerekben, robusztus gömbgrafitos öntöttvas szerkezettel és korrózióálló epoxi bevonattal. Ezek a tűzoltó pillangószelepek egy fejlett elektromos jeleszközt integrálnak, amely valós idejű szelephelyzet-állapotot továbbít a tűzjelző központoknak, biztosítva az azonnali rendszerfelügyeleti képességet. A gömbgrafitos öntöttvas szelepeket sikeresen alkalmazták kórházi komplexumokban, adatközpontokban és sokemeletes épületekben az európai és ázsiai piacokon.

A JOEPAI gömbgrafitos öntöttvas tűzoltó jelzőpillangószelep a hagyományos áramlásszabályozási technológia integrációját képviseli az átfogó tűzvédelmi rendszerek modern felügyeleti képességeivel. Ezek a tűzoltó jelző pillangószelepek robusztus gömbgrafitos vasszerkezettel rendelkeznek, kiváló korrózióállósággal, így a jelző pillangószelepek alkalmasak különféle környezeti feltételek melletti igényes alkalmazásokhoz. A gömbgrafitos öntöttvas szelepek egy fejlett elektromos jelzőeszközt tartalmaznak, amely valós idejű szelephelyzet-állapotot biztosít a központi tűzjelző központoknak, biztosítva az azonnali rendszerfelügyeletet és ellenőrzést. A kompakt profillal és könnyű szerkezettel tervezett tűzoltó pillangószelepek egyszerű telepítést tesznek lehetővé, miközben megőrzik a kivételes tartósságot és hosszú élettartamot. Ezeknek a jelzőpillangószelepeknek az innovatív kialakítása a megbízható teljesítményt intelligens felügyeleti képességekkel ötvözi, optimális megoldást teremtve a modern tűzvédelmi követelményekhez.

Jellemzők

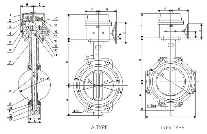
1. Kis méretének és könnyű súlyának köszönhetően könnyen telepíthető és karbantartható. Ezenkívül bárhová telepíthető;

2.Egyszerű és kompakt felépítés, gyors 90 fokos ki-bekapcsolás;

3.Minimális üzemi nyomaték, energiatakarékosság;

4. Kiváló szabályozási teljesítmény és hosszú élettartam;

5. Különféle médiumokhoz használható;

6. Használható kondicionáló és elzáró eszközként különféle korrozív, nem korrozív gáz-, folyékony, félfolyékony és szilárd porvezetékeken és edényeken;

7. Alkalmas olyan rendszerekre, mint például kőolaj, vegyipar, élelmiszer, gyógyszer, papírgyártás, vízellátás és így tovább;

8. Egyenes vonalra hajló áramlási görbe, kiváló szabályozási teljesítmény.

Fő műszaki adatok

Méret: DN50-DN300 (2"-12")

Névleges nyomás: PN1,0-1,6 MPa

Üzemi hőmérséklet: 15-150°C

Közepes: édesvíz, szennyvíz, tengervíz, levegő, gőz, élelmiszer, húsgombóc stb.

Mikrokapcsoló kapacitása: AC, 220V, 1A; DC, 30V, 0,5A

Elérhető anyagok: gömbgrafitos vas, öntöttvas, rozsdamentes acél, szénacél, alumínium bronz

Ductile Iron Fire Fighting Signal Butterfly Valve

Ductile Iron Fire Fighting Signal Butterfly Valve

Ductile Iron Fire Fighting Signal Butterfly Valve

Nyomás és hőmérséklet

üzemi nyomás

PN10, PN16

próbanyomás

héj: 1,5-szeres névleges nyomás

ülés: 1,1-szeres névleges nyomás

üzemi hőmérséklet

-10 °C és 80 °C között (NBR)

-10 °C és 120 °C között (EPDM)

megfelelő médiát

víz, olaj és gáz

Fő anyaglista

alkatrészek

anyag

test

öntöttvas, gömbgrafitos vas,

ülés

EPDM, NBR, VITON, PTFE

lemez

nikkel gömbgrafitos vas, AI bronz, rozsdamentes acél

szár

szénacél, rozsdamentes acél

persely

PTFE

"O" gyűrű

PTFE

pin

rozsdamentes acél

kulcsfontosságú

rozsdamentes acél

 Executive standard:

Tervezési szabvány

EN 593 , MSS SP67 API 609 BS5155

Ellenőrzés és tesztelés

API 598 ISO 5208 EN 12266

Szabvány vége

ANSI B16.1 CL. 125 LB & B16,5 CL. 150 LB

AS 2129 D & E   táblázat BS 10 D &E táblázat

DIN 2501 PN6, PN10 és PN16

EN 1092 PN6, PN10 és PN16

ISO 2531 PN6, PN10 és PN16

ISO 7005 PN6, PN10 és PN16

KS B 1511 / JIS B 2210 5K és 10K

MSS SP44 CL. 150 LB  AWWAC207

SABS 1123 1000/3 és 1600/3 táblázat

Szemtől szembe

ISO 5752 , EN 558 , MSS SP67 és API 609 DIN3202

Felső karima

ISO 5211

Ductile Iron Fire Fighting Signal Butterfly Valve


Hot Tags: gömbgrafitos vas tűzoltó pillangószelep
Kérdés küldése
Elérhetőségei
A gömbszelepekkel, a kapu szelepekkel, a gömbszelepekkel vagy az árlistával kapcsolatos kérdésekért kérjük, hagyja el e -mailjét nekünk, és 24 órán belül kapcsolatba lépünk.
X
Cookie-kat használunk, hogy jobb böngészési élményt kínáljunk, elemezzük a webhely forgalmát és személyre szabjuk a tartalmat. Az oldal használatával Ön elfogadja a cookie-k használatát. Adatvédelmi szabályzat
Elutasít Elfogadás