Wenzhou Joepai Valve Co., Ltd.
Wenzhou Joepai Valve Co., Ltd.
Hír

Hír

Miért jó választás a költséghatékony 3 részes kovácsolt acél nagynyomású golyósszelepünk?

2026-01-13 0 Hagyj üzenetet

Mi az a 3 részes kovácsolt acél nagynyomású golyósszelep?

A 3 részes kovácsolt acél nagynyomású golyóscsapnagy szilárdságú golyóscsapra utal, háromrészes, csavarokkal összekötött testszerkezettel. Záróeleme egy precízen megmunkált golyó, amelyet a szelepszár a szeleptest középvonala körül forgat a közeg gyors elzárása, elosztása vagy áramlási váltása érdekében.


Termékleírás

A 3 részes kovácsolt acél golyóscsapok könnyen kezelhetők, kompaktak, megbízhatóan tömítettek, egyszerű felépítésűek és könnyen karbantarthatók. A tömítőfelület és a golyó mindig zárt állapotban van, így kevésbé érzékenyek a közeg általi erózióra. Széles körben használják a különböző iparágakban.

A szeleptestet kovácsolási eljárással alakítják ki, és az anyag lehet rozsdamentes acél (például F304, F316) vagy szénacél (például A105). A kovácsolt acél anyagok olyan jellemzőkkel rendelkeznek, mint a sűrű szerkezet, a kiváló mechanikai tulajdonságok és az erős ütésállóság, így különösen alkalmasak nagynyomású és nagy szilárdságú munkakörülményekre.

A csővezetékrendszer igényei szerint többféle csatlakozási mód választható, mint például menetes csatlakozás (NPT,BSP-P(G),BSPT(Rc)), tompahegesztés (BW), dugós hegesztés (SW)g, vagy karimás csatlakozás, rugalmas telepítést és erős alkalmazkodóképességet kínálva.

A tervezési nyomás elérheti az 1500 LB-t, így alkalmas nagynyomású szállítórendszerekhez olyan területeken, mint a kőolaj, a vegyipar és a földgáz.


3 részes kovácsolt acél golyósszelepekre vonatkozó szabványok:

1) Tervezési és gyártási szabványok: BS5351, MSS SP-118

2) Csatlakozóvég méretei: ANSI B16.10, JB/T1715

Aljzathegesztési vég méretei: ANSI B16.11, JB/T1715

Menetvég méretei: ANSI B1.12.1, JB/T7306

Tompahegesztési vég méretei: ANSI B16.25, JB/T12224

3) Tesztelés és ellenőrzés: API 598

4) Anyagszabványok: ANSI/ASTM


3-Piece Forged Steel High-pressure Ball Valve


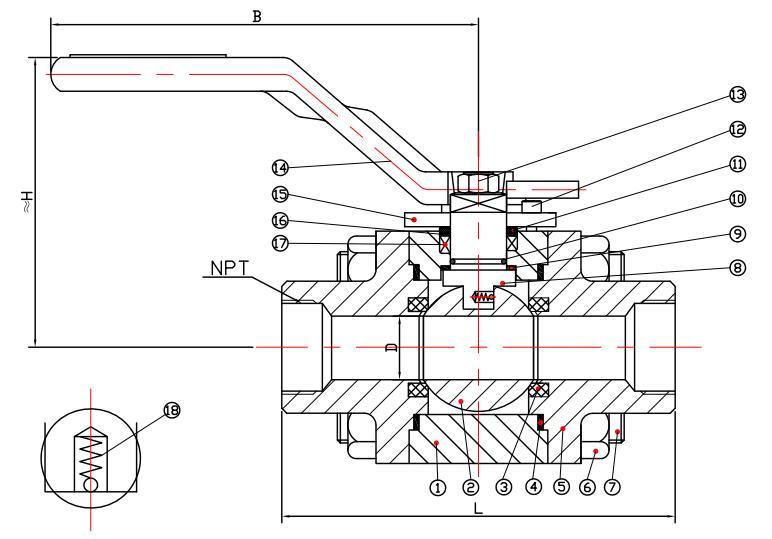
Fő anyagtáblázat:

Nem. Alkatrész neve Szénacél Rozsdamentes acél
1 Test A105 F304 F304L F316 F316L
2 Labda SS304 F304 SS304L SS316 SS316L
3 Ülés PTFE, RPTFE
4 Tömítés SS304/SS316 + grafit
5 Sapka A105 F304 F304L F316 F316L
6 Dió A194-2H A194-8 A194-8M
7 Csavar A193-B7 A193-B8 A193-B8M
8 Szár SS304 F304 SS304L SS316 SS316L
9 Nyomós alátét PTFE, RPTFE
10 O-gyűrű Viton
11 Mirigy SS304 SS304 SS304 SS316 SS316
12 Csavar 1035
13 Dió Rozsdamentes acél
14 Fogantyú WCB, rozsdamentes acél
15 Limitált lemez 1025
16 Tűzgyűrű megakadályozása SS304, SS316
17 Csomagolás Grafit
18 Tavaszi SS304, SS316


Fő mérettáblázat:

DN mm NPS (hüvelyk) L mm D mm H mm
15 1/2” 92 13 66
20 3/4” 112 19 72
25 1” 126 24 100
32 11/4” 129 30 105
40 11/2” 152 38 112
50 2” 176 49 122


3-Piece Forged Steel High-pressure Ball Valve3-Piece Forged Steel High-pressure Ball Valve3-Piece Forged Steel High-pressure Ball Valve3-Piece Forged Steel High-pressure Ball Valve



Professzionális gyártási garancia – Wenzhou Joepai Valve Co., Ltd.

Rozsdamentes acél és szénacél golyóscsapok kutatására, fejlesztésére és gyártására szakosodott vállalatként,Wenzhou Joepai Valve Co., Ltd.A Binhai Ipari Parkban található Longwan kerületben, Wenzhou államban, amelyet "Kína szelepvárosaként" ismernek. A cég modern gyártási bázissal és átfogó minőségellenőrzési rendszerrel büszkélkedhet. A cég fel van szerelve:

Professzionális K+F központ és CNC megmunkáló berendezések

Speciális vizsgálóműszerek (például számítógépes többelemes elemző műszerek, Leeb keménységmérők és vastagságmérők)

Nyomásvizsgáló gépek, életciklus-vizsgáló gépek és egyéb teljes folyamatot lefedő tesztelési platformok

A szigorú folyamatokra és a folyamatos innovációra támaszkodva a Joepai Valve biztosítja, hogy minden 3PC kovácsolt acél nagynyomású golyóscsap megfeleljen a magas színvonalú teljesítménykövetelményeknek, így az ügyfelek biztonságos, megbízható éstartós szelepes megoldások.


Kapcsolódó hírek
Hagyj üzenetet
X
Cookie-kat használunk, hogy jobb böngészési élményt kínáljunk, elemezzük a webhely forgalmát és személyre szabjuk a tartalmat. Az oldal használatával Ön elfogadja a cookie-k használatát. Adatvédelmi szabályzat
Elutasít Elfogadás