Wenzhou Joepai Valve Co., Ltd.
Wenzhou Joepai Valve Co., Ltd.
Hír

Hír

A JOEPAI új, költséghatékony, rozsdamentes acél 304 tűzcsap szelepeket dob ​​piacra – a kiváló korrózióállóság megfelel az AS2419.2 szabványoknak

2026-03-06 0 Hagyj üzenetet

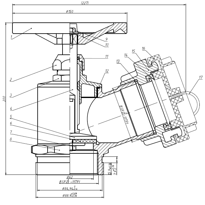
JOEPAIbüszkén mutatja be legújabb innovációját a tűzvédelmi infrastruktúra terén: aÚj tartományRozsdamentes acél 304 tűzcsap szelepek. A tartósságra, megfelelőségre és értékre tervezett szelepek akiváló alternatívája a hagyományos sárgaréz modelleknek– fokozott korrózióállóság biztosítása versenyképesebb áron.

szerint tervezveAS/NZS 2419.2:2009, az új tűzcsap szelepek ideálisak számos alkalmazáshoz, beleértve a kereskedelmi, ipari és lakossági tűzoltó rendszereket, különösenagresszív környezetek, például tengeri és bányászat.


Stainless Steel 304 Fire Hydrant Valves

Termékjellemzők:

Szál típusa: szögletes 65 mm-es BSP kovácsolt Storz adapter UV műanyag kupakkal

Bemeneti típus: 80 mm-es tekercs hornyolt

Anyagminőség: ház, motorháztető, tárcsa, anya CF8-ban (SS304); SS316 szár a fokozott szilárdság érdekében

Tömítés anyaga: NBR gumi a megbízható szivárgásmentes teljesítményért

Kézikerék: Tartós HT200 öntöttvas

Befejezés: Jól látható vörösre festett bevonat

Üzemi nyomás: 1400 kPa

Hidrosztatikus tesztnyomás: 2700 kPa

Légtömörségi vizsgálati nyomás: 800 kPa

Garancia: 12 hónap


Műszaki megfelelőség:

Úgy tervezték és teszteltékAS2419.2-2009

Sima kézikerék-működés összeszerelés utáni elakadás nélkül

100%-ban ellenőrzött és tesztelt – nincs hiba a hidrosztatikai és légtömörségi tesztek után


Miért válassza az SS304-et a sárgaréz helyett?

Jobb korrózióállóság: Ideális zord környezetben, ahol a sárgaréz idővel lebomolhat

Költséghatékony: Megfizethetőbb megoldást kínál a minőség vagy a teljesítmény feláldozása nélkül

Könnyű, mégis erős: Könnyebben kezelhető és telepíthető a szerkezeti integritás megőrzése mellett


Egyéb elérhető konfigurációk:

65 mm-es NSW apa x 80 mm-es tekercs hornyolt

65 mm-es CFA apa x 80 mm-es tekercs hornyolt

65 mm-es QRT férfi x 65 mm-es férfi BSP

65 mm BI x 80 mm tekercs hornyolt

65 mm QRT Apa x 80 mm tekercs hornyolt

65 mm-es Storz adapter x 65 mm-es férfi BSP

Akár egy meglévő rendszert frissít, akár egy új projektet tervez, a JOEPAI új SS304 tűzcsap szelepeitökéletes egyensúly a teljesítmény, a megfelelőség és a megfizethetőség között.

Vegye fel velünk a kapcsolatot még matöbbet megtudni vagy árajánlatot kérni.

Kapcsolódó hírek
Hagyj üzenetet
X
Cookie-kat használunk, hogy jobb böngészési élményt kínáljunk, elemezzük a webhely forgalmát és személyre szabjuk a tartalmat. Az oldal használatával Ön elfogadja a cookie-k használatát. Adatvédelmi szabályzat
Elutasít Elfogadás